聯系我們
總部電話:400-150-8030(免費)
聯系人:13967722156(金經理)
展會負責:0577-59891058
傳真:0577-65656688
投訴電話:13967722156(金小姐) / 13906875666(蔡先生)
地址:浙江省瑞安市南濱街道華安路31號
E-mail:zjaox@126.com
電動蝶閥 當前位置: 首頁> 產品中心> 電動閥門> 電動蝶閥> 電動三偏心硬密封蝶閥
開啟力矩小、靈活方便、省力節能;
電動蝶閥的耐壓高、耐腐蝕、耐磨損、使用壽命長;
三偏心結構,使閥板越關越緊,其密封性能可靠,達到無泄漏;
電動金屬硬密封蝶閥采用三偏心結構設計。閥板在整個啟閉行程范圍內與閥座無摩擦,不會因啟閉而對閥座造成磨損。這是由于旋轉控制閥泄漏。電動蝶閥閥座采用多級結構,密封面采用金屬與非金屬材料的結合,常用于高低溫工況。
電動蝶閥產品特點
1.三維偏心原理設計,蝶板瞬間開啟,多級分離密封面。
2.密封結構,密封性能優良。
3.啟動力矩小,操作靈活,方便,省力,節能;
4.通道流暢,運動平穩,適用范圍廣;
5.耐高溫、耐高壓、耐腐蝕、耐磨、使用壽命長;
電動蝶閥在廣泛應用于核工業、暖通空調、生物制藥、表面處理、涂層設備、灌裝設備、干燥設備、船舶工業、自動控制、紡織印染等行業。
電動三偏心硬密封蝶閥技術參數
公稱通徑DN(mm) | 50-600(mm) | ||||
公稱壓力PN(Mpa) | 1.0(MPa) | 1.6(MPa) | |||
公稱壓力PS(Mpa) | 強度試驗 | 1.5(MPa) | 2.4(MPa) | ||
密封試驗 | 1.1(MPa) | 1.76(MPa) | |||
材料/代號 | C | P | R | ||
主要零件 | 閥體 | WCB | ZG1Cr18Ni9Ti | ZG0Cr18Ni12Mo2Ti | |
蝶板 | WCB | ZG1Cr18Ni9Ti | ZG0Cr18Ni12Mo2Ti | ||
閥桿 | 23r13 | 1Cr18Ni9Ti | 0Cr18Ni12Mo2Ti | ||
密封圈 | 四氟不銹鋼 | ||||
填料 | 四氟柔性石墨 | ||||
適用工況 | 適用介質 | 水、蒸汽、油 | 硝酸類 | 醋酸類 | |
適用溫度 | 適用溫度碳鋼:-29℃~-425℃不銹鋼:-40℃~-600℃ | ||||
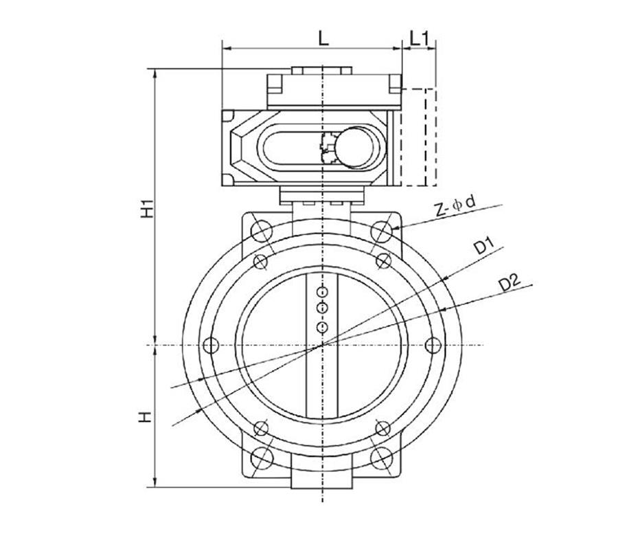
電動三偏心硬密封蝶閥外形圖


產品知識
澳翔自控
AOXIANG Self-control
溫州瑞安(總部)
Add:浙江省瑞安市南濱街道華安路31號
Tel:400-150-8030
COPYRIGHT ? 2019 浙江澳翔自控科技有限公司 版權所有 浙ICP備13021379號-1
