聯系我們
總部電話:400-150-8030(免費)
聯系人:13967722156(金經理)
展會負責:0577-59891058
傳真:0577-65656688
投訴電話:13967722156(金小姐) / 13906875666(蔡先生)
地址:浙江省瑞安市南濱街道華安路31號
E-mail:zjaox@126.com
電動蝶閥 當前位置: 首頁> 產品中心> 電動閥門> 電動蝶閥> 電動通風蝶閥
體積小、重量輕、密封可靠;
可拆連接、工作穩定、結構簡單、維修方便;
電動蝶閥的啟閉力矩小、流通性好、品質優良、壽命長;
內壁拋光、表面光亮、輕巧美觀、清潔衛生、無死角易清潔;
D941W電動可調通風蝶閥由角行程電子式電動執行器和蝶閥調節機構組成。在化工、建材、電廠、玻璃等行業的通風環保工程中,作為管道控制器,在含塵的冷、熱氣管道中調節流量和截斷氣體介質。電動蝶閥主要用于冶金、化工、建材、電廠、玻璃等行業多塵的冷熱風管道,協調通風和環保工程的流量和設備。用作密閉氣體介質。蝶閥是一種非密封蝶閥,電動蝶閥廣泛應用于建材、冶金、礦山、電力等制造過程中。
電動通風蝶閥產品特點
1.溫度基本不受限制,采用各種材料,常溫下即可使用
2.閥板和可以帶擋圈緊密接觸,減少泄漏,泄漏量減少到1%右。對于廢氣處理工程,在可控范圍內。
3.通風蝶閥成本低,工藝流程簡單,所需扭矩小,構造的執行器型號小,整體價格是一大優勢。
4.使用壽命長,通風蝶閥結構簡單,維護方便;
5.創新設計,結構合理,重量輕,速度快
6. 操作扭矩小,操作方便,省力,智能。
7. 選用合適的材料 低溫 滿足中溫、高溫、中溫及腐蝕性介質的要求。
電動蝶閥的應用和特點
該蝶閥由與閥體相同的材料制成,并具有密封環,并使用電動或氣動傳動裝置。適用溫度取決于閥體的材料選擇,公稱壓力≤0.6MPa。它通常適用于工業,冶金,環保以及其他用于通風和介質流量控制的管道。
電動通風蝶閥是通過在中心線圓盤板和短結構鋼板之間焊接一種新型結構而設計和制造的。它結構緊湊,重量輕,易于安裝,并允許您將流阻安裝在多個位置,而不受介質流向的影響。通過焊接中心線盤和短結構鋼板的新結構形式設計制造,結構緊湊,輕巧,易于安裝,低流動阻力,通過焊接中心線盤和短結構鋼板的新結構形式設計和制造。我是。緊湊,輕巧,易于安裝,低流阻,
電動通風蝶閥具有大容量,避免了高溫膨脹的影響,易于操作,使用壽命長,可以安裝在多個位置,并且可以安裝在多個位置。不受流量影響。電動通風蝶閥是通過在中心線圓盤板和短結構鋼板之間焊接一種新型結構而設計和制造的。結構緊湊,輕巧,易于安裝,低流阻,大流量且易于操作。主體上沒有連桿或螺栓,可確保可靠的工作和較長的使用壽命。它可以安裝在多個位置,并且不受介質流動方向的影響。
電動通風蝶閥是一種非封閉蝶閥,用于在介質溫度為300°C或更低且公稱壓力為0.1Mpa的管道中的建筑材料,冶金,采礦,電力等制造過程中連接,打開和關閉,調節介質。電動通風蝶閥主要是冷或熱空氣管道,其中包含來自金屬,化工,建筑材料,發電廠,玻璃等行業的通風和環保項目中的灰塵,以調節流量或阻塞裝置。它用作剃須的氣體介質。
電動通風蝶閥是通過在中心線圓盤板和短結構鋼板之間焊接一種新型結構而設計和制造的。結構緊湊,輕巧,易于安裝,低流阻,大流量且易于操作。沒有連桿或螺栓,通風蝶閥運行可靠,使用壽命長。電動通風蝶閥可以安裝在多個位置,并且不受介質流動方向的影響。循環的大小不一、避免了高溫膨脹的影響,并且易于操作。主體上沒有連桿或螺栓,可確保可靠的工作和較長的使用壽命。
電動通風蝶閥主要零件材質
材料代號 | 碳鋼C(WCB) | 不銹鋼P(304) | 不銹鋼R(316) |
閥體 | WCB | 1Cr18Ni9 | 1Cr18Ni12Mo2 |
閥板 | WCB或1Cr18Ni9 | 1Cr18Ni9 | 1Cr18Ni12Mo2 |
閥桿 | 2Cr13 | 1Cr18Ni9 | 1Cr18Ni12Mo2 |
閥座密封 | 與閥體相同 | ||
填料 | 聚四氟乙烯、柔性石墨 | ||
適用溫度 | ≤300℃ | ≤550℃ | |
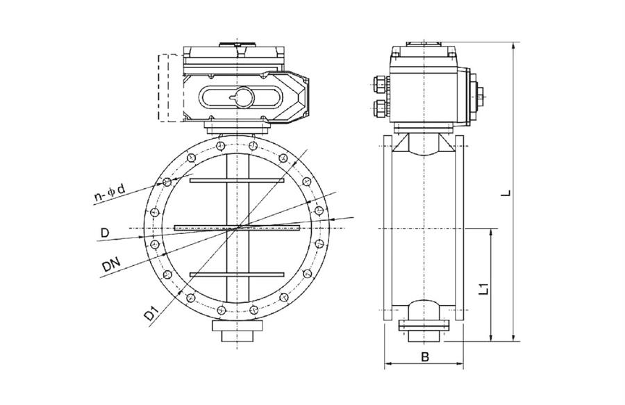
電動通風蝶閥外形圖


產品知識
澳翔自控
AOXIANG Self-control
溫州瑞安(總部)
Add:浙江省瑞安市南濱街道華安路31號
Tel:400-150-8030
COPYRIGHT ? 2019 浙江澳翔自控科技有限公司 版權所有 浙ICP備13021379號-1

