聯系我們
總部電話:400-150-8030(免費)
聯系人:13967722156(金經理)
展會負責:0577-59891058
傳真:0577-65656688
投訴電話:13967722156(金小姐) / 13906875666(蔡先生)
地址:浙江省瑞安市南濱街道華安路31號
E-mail:zjaox@126.com
AOX-Q-L防爆直行程系列 當前位置: 首頁> 產品中心> 直行程電動執行器> AOX-Q-L防爆直行程系列> AOX-Q-L-200~400直行程電動執行器
外 殼:硬質鋁合金
防護等級:IP67(可選IP68)
防爆等級:Exd Ⅱ CT5(選配)
推 力:20000~40000N
行 程:100mm
功 能:智能型(ICU)、非侵一體化(SICU/SPCU)、調節型(PCU)、開關型
環境溫度:-25℃~+70℃(可選-30℃、-40℃、-60℃)
一、產品概述
“AOX-Q-L”系列直行程電動執行器。它具有體積小、重量輕、功能強、智能一體化設置、操作方便等特點。Z大行程可按現場需要達1米,Z大推力可達250000N等特點,廣泛適用于直線動作的閥門開關和調節控制。(該產品已獲得CE與防爆認證證書)
二、性能特點
2.1殼體
殼體為硬質鋁合金,經陽Ji氧化處理和聚酯粉末涂層,耐腐蝕性強,防護等級為IP67,NEMA4和6,并有IP68和防爆型供選擇。
2.2電機
采用全封閉鼠籠式電機,具有體積小、扭矩大、慣性力小等特點。絕緣等級為H級,內置過熱保護開關,可防止損壞電機。
2.3手動結構
手輪的設計保證安全可靠、省力、體積小。不通電時,扳動離合器手柄可進行手動操作。通電時,離合器自動復位。(注:手柄在手動狀態,請勿人為切到自動狀態)
2.4指示器
指示器安裝在支撐軸上,觀察更方便直觀。
2.5干燥器
用來控制溫度,防止由于溫度和天氣變化導致執行器內部水分凝結,保持內部電氣元件的干燥。
2.6限位開關
電子雙重限位,行程可調,安全可靠;電子限位開關由凸輪機構來控制,簡單的調整機構能準確并方便地設定位置。(智能一體化產品,無需此功能)
2.7扭矩開關
可提供過載保護(AOX-Q-L20/30/50/80除外),在閥門卡澀有異物時自動斷開電機電源,更有Xiao的保護閥門和電動執行器不受損壞。(出廠前已設定好,請用戶不要隨意更改設置)
2.8自鎖
精密的蝸輪蝸桿機構可高Xiao傳輸大扭矩、效率高、噪音低(Z大50分貝)、壽命長有自鎖功能,防止反轉,傳動部分穩定可靠,無需再加油。
2.9防脫螺栓
拆除外殼時,螺栓附在殼體上不會脫落。
2.10安裝
底部安裝尺寸符合ISO5211國Ji標準,如閥門安裝尺寸與其不符,則另行設計。
2.11線路
控制線路符合單相或三相電源標準,線路布置緊湊合理,接線端子可有Xiao滿足各種附加功能的要求。(可根據客戶要求另行加工)
2.12智能模塊
采用集成度高、功耗低的單片機和模擬電路混合的控制板,采用全金屬外掛式安裝,使執行器電機熱源與控制板有Xiao隔離,很大程度上提高了軟件和硬件的抗干擾性能和耐溫性。
2.13閥位數字顯示
執行器在打開或關閉過程中,閥位的變化在液晶屏上以大數字方式實時顯示。
三、主要技術參數,標準件
3.1 AOX-Q-L系列直行程電動執行器技術參數
型號 | 推力 | 速度 | Z大行程 | 功耗 | 額定電流(A)50HZ | 重量 | |||
單相 | 三相 | ||||||||
N | mm/S | mm | W | 110V | 220V | 380V | 440V | Kg | |
AOX-Q-L200 | 20000 | 0.50 | 100 | 90 | 1.86 | 1.39 | 0.35 | 0.34 | 33 |
AOX-Q-L250 | 25000 | 0.50 | 100 | 120 | 3.62 | 1.87 | 0.59 | 0.58 | 34 |
AOX-Q-L300 | 30000 | 0.50 | 100 | 120 | 3.62 | 1.95 | 0.59 | 0.59 | 35 |
AOX-Q-L350 | 35000 | 0.44 | 100 | 180 | / | 1.75 | 0.85 | 0.86 | 38 |
AOX-Q-L400 | 40000 | 0.44 | 100 | 180 | / | 1.98 | 0.87 | 0.88 | 38 |
3.2標準規格
外殼 | 防護等級:IP67(可選IP68),NEMA4 and 6 | |
電機電源 | 110/220V AC 1Phase,380/440VAC 3 Phase(可選) | |
控制電源 | 220V AC 1Phase,50/60 Hz,±10% | |
控制信號 | 輸入輸出4-20mA、1-5VDC、0-10VDC | |
電機 | 鼠籠式異步電機 | |
限位開關 | 2 X 開(Open)/關(Close), SPDT 250V AC 10A | |
輔助限位開關 | 2 X 開(Open)/關(Close), SPDT 250V AC 10A | |
失速防護/操作溫度 | 內置熱保護,開120℃ ±5℃ /關 97℃ ±5℃ | |
指示器 | 連續的位置指示 | |
手動操作 | 機械離合機構 | |
自鎖裝置 | 蝸輪蝸桿 | |
干燥器 | 30W (110/220V AC) | |
接線孔 | 2 × NPT 3/4" | |
環境溫度 | -25℃--+70℃(-30℃、-40℃、-60℃可選) | |
潤 滑 | 鋁基潤滑脂(EP 型) | |
材 料 | 鋼,鋁合金,鋁青銅,聚碳酸脂 | |
環境濕度 | Z大(Max) 90% RH | 非凝結 |
抗震性能 | X Y Z 10g,0.2~34 Hz,30分鐘 | |
外 涂 層 | 干粉,環氧聚酯 | |
3.3可選規格
NO. | 規格 | 可選 |
1 | 防爆執行器(Exd Ⅱ BT5,Exd Ⅱ CT5) | AOX-Q-L 系列 |
2 | 電位計(1K-10K) | AOX-Q-L 系列 |
3 | 比例控制單元(輸入4-20mA DC) | AOX-Q-L 系列 |
4 | 現場控制單元(過程控制開/停/關選擇開關) | AOX-Q-L 系列 |
5 | 直流電機(24V DC) | AOX-Q-L 系列 |
6 | 防水外殼(IP68,10M,250HR) | AOX-Q-L 系列 |
7 | 反向電磁控制和傳送集成電機啟動器 | AOX-Q-L 系列 |
8 | 附加扭矩開關(SPDT X 2 250V AC 10A) | AOX-Q-L20/30/50/80除外 |
9 | 電流位置傳感器(輸出4-20mA DC) | AOX-Q-L 系列 |
10 | 耐高溫執行器(-10℃~+100℃) | AOX-Q-L 系列 |
11 | 耐低溫執行器(-60℃~+30℃) | AOX-Q-L 系列 |
12 | 低速執行器 | AOX-Q-L 系列 |
13 | 總線控制 | AOX-Q-L 系列 |
四、結構
電動執行器主要由以下幾部分組成:
◎ 殼體部分:包括外殼及底座部分; ◎ 驅動部分:以高性能全封閉鼠籠式電機為動力源;
◎ 傳動機構:蝸輪與離合器部分; ◎ 比例控制部分:與機械部分分離,便于調試;
◎ 力矩開關與限位開關部分; ◎ 行程檢測與反饋部分。
五、外觀圖
5.1 AOX-Q-L200~300外觀及安裝尺寸(虛線部分為模擬量控制盒,開關型無此尺寸)

5.1 AOX-Q-L350~400外觀及安裝尺寸(虛線部分為模擬量控制盒,開關型無此尺寸)

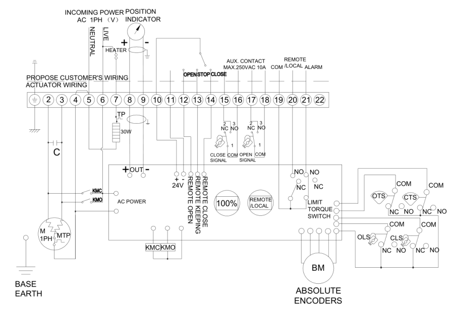
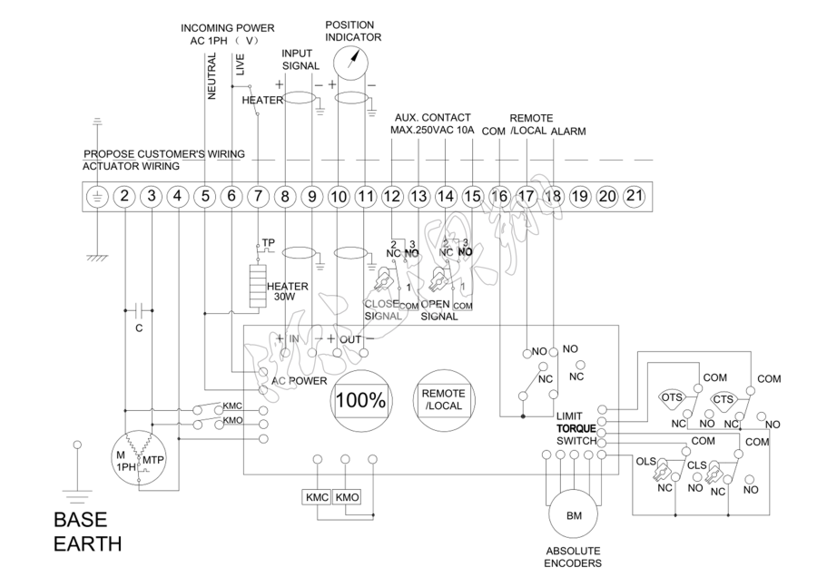
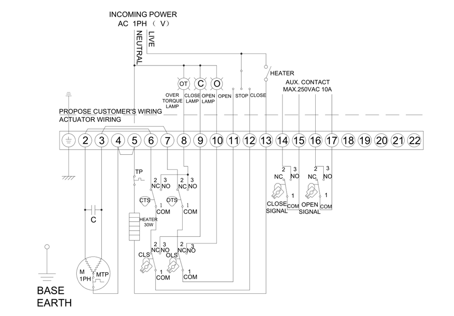
六、接線圖
6.1 AOX-Q-L100~400 110/220VAC/50/60HZ,1Ph(普通開關型)(線路圖型號:Q-110-20)
6.2 AOX-Q-L100~400 110/220VAC/50/60HZ,1Ph(普通調節型PCU1)(線路圖型號:Q-120-20)

6.3 AOX-Q-L100-400 110/220VAC/50/60HZ,1Ph(非侵一體化型SICU1)(線路圖型號:Q-130-20)

6.4 AOX-Q-L100-400 110/220VAC/50/60HZ,1Ph(非侵一體化型SPCU1)(線路圖型號:Q-140-20)

備注:因電動執行器電氣控制接線圖種類過多,未能在此一一列出。僅供參考,其余具體接線圖請參照隨執行器附配的接線圖。
產品知識
澳翔自控
AOXIANG Self-control
溫州瑞安(總部)
Add:浙江省瑞安市南濱街道華安路31號
Tel:400-150-8030
COPYRIGHT ? 2019 浙江澳翔自控科技有限公司 版權所有 浙ICP備13021379號-1



