聯系我們
總部電話:400-150-8030(免費)
聯系人:13967722156(金經理)
展會負責:0577-59891058
傳真:0577-65656688
投訴電話:13967722156(金小姐) / 13906875666(蔡先生)
地址:浙江省瑞安市南濱街道華安路31號
E-mail:zjaox@126.com
AOX-Q(CHQ)防爆角行程系列 當前位置: 首頁> 產品中心> 角行程電動執行器> AOX-Q(CHQ)防爆角行程系列> 電動執行器-CHQ-150/600
外 殼:硬質鋁合金
防護等級:IP67(可選IP68)
防爆等級:Exd Ⅱ CT5(選配)
扭 矩:1500~6000Nm
行 程:0~90°
功 能:智能型(ICU)、非侵一體化(SICU/SPCU)、燈指示(LCU)、調節型(PCU)、開關型
環境溫度:-25℃~70℃(可選-30℃、-40℃、-60℃)
一、產品概述
“CHQ”系列電動執行器用于控制0°~270°旋轉的電動閥門及其他同類產品,如電動蝶閥、電動球閥、風門、擋板閥、旋塞閥、百葉閥等,廣泛應用于石油、化工、水處理、船舶、造紙、電站、供熱、樓宇自控、輕工等各行業中。以AC380V/220V/110V交流電源作為驅動電源,4-20mA電流信號或0-10V DC 電壓信號作為控制信號,使電動閥門運動到所需位置,實現其自動化控制,輸出扭矩可達6000N?M。
二、性能特點
2.1殼體
殼體為硬質鋁合金,經陽Ji氧化處理和聚酯粉末涂層,耐腐蝕性強,防護等級為IP67,NEMA4和6,并有IP68和防爆型供選擇。
2.2電機
采用全封閉鼠籠式電機,具有體積小、扭矩大、慣性力小等特點。電機絕緣等級為H級且內置過熱保護開關,可防止過熱損壞電機。
2.3手動結構
手輪的設計保證安全可靠、省力、體積小。不通電時,扳動離合器手柄可進行手動操作。通電時,離合器自動復位。(注:在不通電的狀況下,電動執行器將保持永Jiu手動狀態)
2.4指示器
指示器安裝在中心軸上,可以觀察閥門位置。鏡面采用凸透鏡設計,不積水,觀察更方便。
2.5干燥器
用來控制溫度,防止由于溫度和天氣變化導致執行器內部水分凝結,保持內部電氣元件的干燥。
2.6限位開關
機械,電子雙重限位。機械限位螺釘可調,安全可靠;電子限位開關由凸輪機構來控制,簡單的調整機構能準確并方便地設定位置。
2.7扭矩開關
可提供過載保護在閥門卡澀,有異物時,自動斷開電機電源,更有Xiao的保護閥門和電動執行器不受損壞。(出廠前已設定好,請用戶不要隨意更改設置)
2.8自鎖
精密的雙蝸輪蝸桿機構可高Xiao傳輸大扭矩,效率高,噪音低(<50分貝),壽命長,且有自鎖功能,防止反轉,傳動部分穩定可靠,無需再加油。
2.9防脫螺栓
拆除外殼時,螺栓附在殼體上,不會脫落。外部螺絲均采用304不銹鋼材質。
2.10安裝
底部安裝尺寸符合ISO5211標準,驅動軸套可拆下根據需要進行加工,適應性強。可以垂直安裝,也可以水平安裝。
2.11線路
控制線路符合單相或三相電源標準,線路布置緊湊合理,接線端子可有Xiao滿足各種附加功能的要求。(可根據客戶要求另行加工)
三、主要技術參數、規格
3.1 CHQ系列電動執行器技術參數
型號 | Max輸出扭矩 | 90°動作時間50Hz | Max軸徑 | 電機H級 | 額定電流(A)50HZ | 手輪 轉數 | 重量 | |||
單相 | 三相 | |||||||||
N·M | S | mm | W | 110V | 220V | 380V | 440V | N | Kg | |
CHQ-150 | 1500 | 93 | Φ60 | 120 | 3.62 | 1.95 | 0.59 | 0.58 | 40.5 | 77 |
CHQ-200 | 2000 | 112 | Φ60 | 180 | 4.10 | 1.76 | 0.85 | 0.79 | 49.5 | 83 |
CHQ-300 | 3000 | 112 | Φ60 | 180 | 4.10 | 1.98 | 0.87 | 0.81 | 49.5 | 83 |
CHQ-400 | 4000 | 185 | Φ60 | 180 | 4.10 | 1.72 | 0.87 | 0.81 | 82.5 | 83 |
CHQ-500 | 5000 | 185 | Φ60 | 180 | 4.10 | 1.75 | 0.87 | 0.81 | 82.5 | 83 |
CHQ-600 | 6000 | 185 | Φ60 | 180 | 4.10 | 2.31 | 0.87 | 0.81 | 82.5 | 83 |
3.2標準規格
外殼 | 防護等級:IP67(可選IP68),NEMA4 and 6 | |
電機電源 | 110/220V AC 1Phase,380/440V AC 3Phase, 50/60Hz, ±10% | |
控制電源 | 110/220V AC 1Phase,50/60 Hz, ±10% | |
電機 | 鼠籠式異步電機 | |
限位開關 | 2 X 開(Open)/關(Close), SPDT,250V AC 10A | |
輔助限位開關 | 2 X 開(Open)/關(Close), SPDT,250V AC 10A | |
扭矩開關 | 開(On)/關(Off),SPDT,250V AC 10A | |
行程 | 90°±10° | 0°~270°可選 |
失速防護/操作溫度 | 內置熱保護,開120℃ ±5℃ /關 97℃ ±5℃ | |
指示器 | 連續的位置指示 | |
手動操作 | 機械離合機構 | |
自鎖裝置 | 蝸輪,蝸桿機構提供自鎖 | |
機械限位 | 2個外部調整螺栓 | |
干燥器 | 30W (110/220V AC) 防冷凝 | |
接線孔 | 2 × NPT 3/4" | |
環境溫度 | -25℃--+70℃(-30℃、-40℃、-60℃可選) | |
潤 滑 | 鋁基潤滑脂(EP 型) | |
材 料 | 鋼,鋁合金,鋁青銅,聚碳酸脂 | |
環境濕度 | (Max) 90% RH | 非凝結 |
抗震性能 | X Y Z 10g,0.2~34 Hz,30分鐘 | |
外 涂 層 | 干粉,環氧聚酯 | |
3.3可選規格
NO. | 規格 | 可選 |
1 | 防爆執行器(Exd Ⅱ BT5,Exd Ⅱ CT5) | 可選 |
2 | 電位計(1K-10K) | 可選 |
3 | 比例控制單元(輸入,輸出4-20mA DC) | 可選 |
4 | 現場控制單元(過程控制開/停/關選擇開關) | 可選 |
5 | 120°,180°,270°轉角 | 可選 |
6 | 直流電機(24V DC) | 可選 |
7 | 防水外殼(IP68,10M,250HR) | 可選 |
8 | 反向電磁控制和傳送集成電機啟動器 | 可選 |
9 | 電流位置傳感器(輸出4-20mA DC) | 可選 |
10 | 耐高溫執行器(-10℃~+100℃) | 可選 |
11 | 耐低溫執行器(-60℃~+30℃) | 可選 |
12 | 低速執行器 | 可選 |
13 | 總線控制單元 | 可選 |
四、結構
電動執行器主要由以下幾部分組成:
◎ 殼體部分:包括外殼及底座部分;
◎ 驅動部分:以高性能全封閉鼠籠式電機為動力源;
◎ 傳動機構:雙蝸輪與離合器部分;
◎ 比例控制部分:與機械部分分離,便于調試;
◎ 力矩開關與限位開關部分;
◎ 開度檢測與反饋部分。
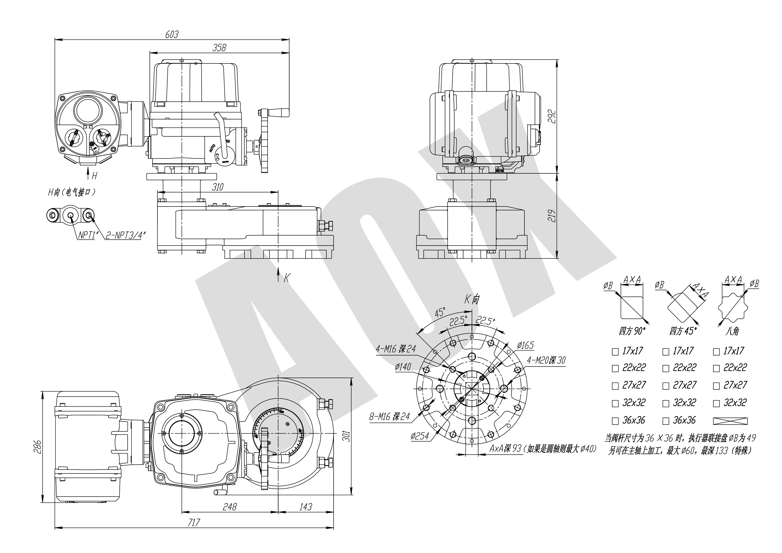
五、外觀圖
5.1 CHQ-150外觀及安裝尺寸 (虛線部分為模擬量控制盒,開關型無此尺寸)

5.2 CHQ-200~600外觀及安裝尺寸 (虛線部分為模擬量控制盒,開關型無此尺寸)

六、接線圖
6.1 CHQ-015~600 110/220VAC/50/60HZ,1Ph(普通開關型)(線路圖型號:Q-110-20)

6.2 CHQ-015~600 110/220VAC/50/60HZ,1Ph(普通調節型PCU1)(線路圖型號:Q-120-20)
6.3 CHQ-015~600 110/220VAC/50/60HZ,1Ph(非侵入一體化型SICU1)(線路圖型號:Q-130-20)
6.4 CHQ-015~600 380/440VAC/50/60HZ,3Ph(外置普通開關型)(線路圖型號:Q-210-20)

備注:因電動執行器電氣控制接線圖種類過多,未能在此說明書上一一列出。此說明書僅供參考,其余具體接線圖請參照隨執行器附配的接線圖。
產品知識
澳翔自控
AOXIANG Self-control
溫州瑞安(總部)
Add:浙江省瑞安市南濱街道華安路31號
Tel:400-150-8030
COPYRIGHT ? 2019 浙江澳翔自控科技有限公司 版權所有 浙ICP備13021379號-1
